TECUMSEH 632536

REFERENCE
NUMBER
TECUMSEH
PART NUMBER
DESCRIPTION
1 632787 THROTTLE SHAFT AND LEVER ASSY.
2 631970 THROTTLE RETURN SPRING
6 632517 THROTTLE SHUTTER
7 650506 SHUTTER SCREW
10 632513 CHOKE SHAFT AND LEVER ASSY.
14 632514 CHOKE SHUTTER
16 631775 FUEL FITTING
17 650417 THROTTLE CRACK SCREW/IDLE SPEED SCREW
18 630766 TENSION SPRING
20 632281 IDLE MIXTURE SCREW
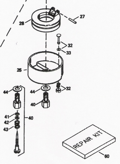
25 632594A FLOAT BOWL ASSY.
27 631024 FLOAT SHAFT
28 632802 FLOAT
29 631028 FLOAT BOWL O-RING
30 631021 INLET NEEDLE, SEAT AND CLIP
40 632239 MAIN ADJUSTMENT SCREW ASSY.
44 27110 BOWL NUT WASHER
60 632347 REPAIR KIT

CLICK HERE
TO PURCHASE PARTS
FOR THIS CARBURETOR

CLICK HERE
TO PURCHASE
THIS CARBURETOR

SITE MAP CONTACT US TOOL BOX
COLEMAN POWERMATE
GENERATORS PARTS
PRICING
Tecumseh Carburetors Tecumseh Starters
and Parts Listings

LISTING BY ENGINE SPEC NUMBER PROVIDING PART NUMBER

This web site has been made available to you for the enhancement of the services we provide to our customers. We have provided a number of resources here to help you resolve TECUMSEH CARBURETOR problems, find TECUMSEH CARBURETOR parts you need, and suggest improvements to our service.

Copyright © 2009
AAAA Generator and Pressure Washer, Inc.
DBA: ARKANSAS OUTDOOR POWER EQUIPMENT
All rights reserved.
Last modified: NOVEMBER 12, 2009

All products mentioned are registered trademarks or trademarks of their respective companies.

Alabama Alaska Alberta American Samoa Arizona Arkansas British Columbia California Colorado Connecticut Delaware Federated Sts. of Micronesia Florida Georgia Guam Hawaii Idaho Illinois Indiana Iowa Kansas Kentucky Louisiana Maine Manitoba Maryland Massachusetts Michigan Minnesota Mississippi Missouri Montana Nebraska Nevada New Brunswick New Hampshire New Jersey New Mexico New York Newfoundland and Labrador North Carolina North Dakota Northern marianas Northwest Territories Nova Scotia Nunavut Ohio Oklahoma ON Oregon Pennsylvania Prince Edward Island Puerto Rico Quebec Rhode Island Saskatchewan South Carolina South Dakota Tennessee Texas Utah Vermont Virgin Islands Virginia Washington Washington DC West Virginia Wisconsin Wyoming Yukon